產品概述
電動鑄鋼固定式球閥一般用于高壓和大口徑的各種管路上,采用上下閥桿固定閥芯(軸支式)和可動密封座設計,關閉時,在介質壓力的作用下,球體不會產生位移,工作更穩定。通常與球體連接在一起的上下軸上,裝有滾動軸承,或滑動軸承,以減少啟閉時軸頸產生的摩擦力,減小操作力矩,在各行業得到廣泛的應用。根據選用不同的材質,可分別適用于水、蒸汽、油品、液化氣、天然氣、煤氣、硝酸、醋酸、氧化性介質、尿素等多種介質。

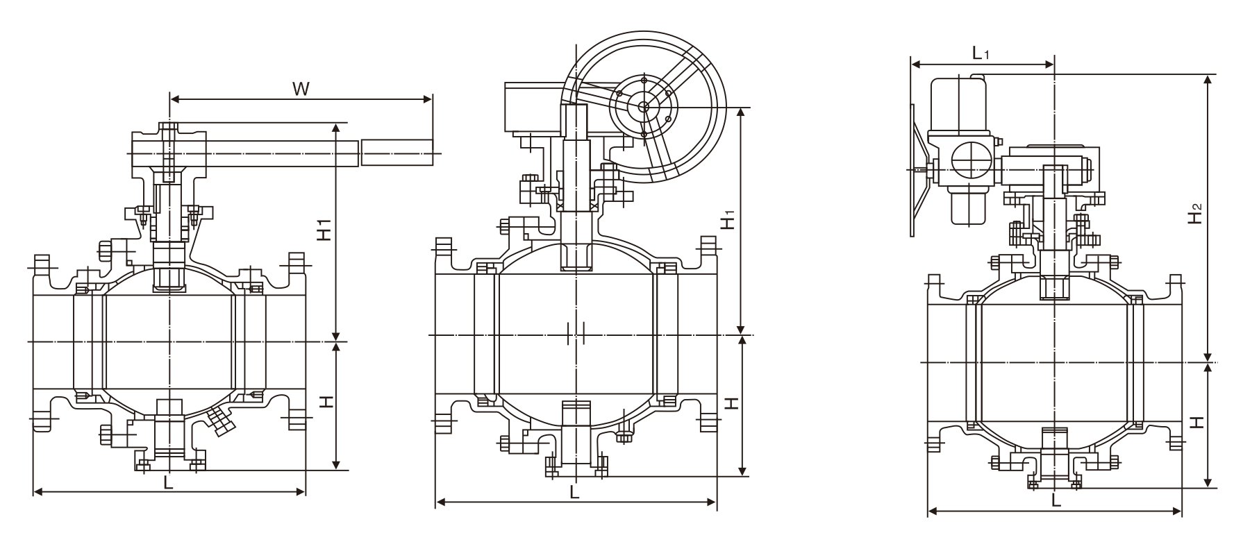
主要連接尺寸(PN1.6MPa)
|
公稱通徑DN |
25 |
32 |
40 |
50 |
65 |
80 |
100 |
125 |
150 |
200 |
250 |
300 |
350 |
400 |
450 |
500 |
600 |
700 |
|
|
d1 |
25 |
32 |
40 |
50 |
65 |
80 |
100 |
125 |
150 |
200 |
250 |
300 |
337 |
387 |
438 |
489 |
591 |
686 |
|
|
L |
165 |
180 |
190 |
216 |
241 |
283 |
305 |
356 |
394 |
457 |
533 |
610 |
686 |
762 |
864 |
914 |
1067 |
1245 |
|
|
H |
50 |
55 |
80 |
102 |
114 |
127 |
152 |
184 |
219 |
273 |
360 |
395 |
430 |
470 |
550 |
580 |
700 |
800 |
|
|
電動 |
H2 |
- |
- |
- |
- |
- |
- |
- |
- |
554 |
600 |
652 |
760 |
770 |
830 |
- |
940 |
940 |
1115 |
|
L1 |
- |
- |
- |
- |
- |
- |
- |
- |
235 |
235 |
235 |
259 |
400 |
400 |
- |
410 |
410 |
410 |
|
主要連接尺寸(PN2.5MPa)
|
公稱通徑DN |
25 |
32 |
40 |
50 |
65 |
80 |
100 |
125 |
150 |
200 |
250 |
300 |
350 |
400 |
450 |
500 |
600 |
700 |
|
|
d1 |
25 |
32 |
40 |
50 |
65 |
80 |
100 |
125 |
150 |
200 |
250 |
300 |
337 |
387 |
438 |
489 |
591 |
686 |
|
|
L |
165 |
180 |
190 |
216 |
241 |
283 |
305 |
381 |
403 |
502 |
568 |
648 |
762 |
838 |
914 |
991 |
1143 |
1346 |
|
|
H |
50 |
55 |
80 |
102 |
114 |
127 |
152 |
184 |
219 |
273 |
360 |
395 |
430 |
470 |
550 |
580 |
700 |
800 |
|
|
電動 |
H2 |
- |
- |
- |
- |
- |
- |
- |
- |
235 |
235 |
400 |
400 |
410 |
410 |
- |
420 |
690 |
690 |
|
L1 |
- |
- |
- |
- |
- |
- |
- |
- |
74 |
350 |
350 |
420 |
420 |
400 |
- |
400 |
410 |
650 |
|
主要連接尺寸(PN4.0MPa)
|
公稱通徑DN |
25 |
32 |
40 |
50 |
65 |
80 |
100 |
125 |
150 |
200 |
250 |
300 |
350 |
400 |
450 |
500 |
600 |
700 |
|
|
d1 |
25 |
32 |
40 |
50 |
65 |
80 |
100 |
125 |
150 |
200 |
250 |
300 |
337 |
387 |
438 |
489 |
591 |
686 |
|
|
L |
165 |
180 |
190 |
216 |
241 |
283 |
305 |
381 |
403 |
502 |
568 |
648 |
762 |
838 |
914 |
991 |
1143 |
1346 |
|
|
H |
50 |
55 |
80 |
102 |
114 |
127 |
152 |
184 |
219 |
273 |
360 |
395 |
430 |
470 |
550 |
580 |
700 |
800 |
|
|
電動 |
H2 |
- |
- |
- |
- |
- |
- |
- |
- |
235 |
235 |
400 |
400 |
410 |
410 |
- |
420 |
690 |
690 |
|
L1 |
- |
- |
- |
- |
- |
- |
- |
- |
74 |
350 |
350 |
420 |
420 |
400 |
- |
400 |
410 |
650 |
|
主要連接尺寸(PN6.4MPa)
|
公稱通徑DN |
50 |
65 |
80 |
100 |
150 |
200 |
250 |
300 |
350 |
400 |
500 |
600 |
700 |
|
|
d1 |
50 |
65 |
80 |
100 |
150 |
200 |
250 |
300 |
337 |
387 |
489 |
591 |
686 |
|
|
L |
292 |
330 |
356 |
406 |
495 |
597 |
673 |
762 |
826 |
902 |
1054 |
1232 |
1397 |
|
|
H |
114 |
124 |
133 |
159 |
250 |
294 |
395 |
445 |
500 |
530 |
660 |
800 |
900 |
|
|
電動 |
H2 |
- |
- |
- |
- |
554 |
574 |
731 |
771 |
867 |
802 |
979 |
1085 |
1148 |
|
L1 |
- |
- |
- |
- |
235 |
235 |
400 |
400 |
410 |
410 |
420 |
690 |
690 |
|