產品概述
陶瓷閘閥適用于公稱壓力PN16~PN100(1.6Mpa~10.0Mpa),工作溫度-29~540℃的石油、化工、礦山、冶金、電力行業等各種工況的管路上,切斷或接通管路介質。Z41TC型陶瓷閘閥特別是用于排灰、排渣系統,放料、排污系統中,其使用壽命比普通合金密封面閥門提高10倍以上。
產品特點
1、 密封可靠、性能優良、造型美觀特點
2、閘板、閥座密封面采用工程陶瓷材料的先進工藝研制開發制造而成,耐磨、耐沖刷、抗擦傷性能特強,其使用壽命比普通合金材料密封面高10倍以上。
3、 采用高性能填料
4、傳動方式有手動、齒輪傳動、電動、氣動等,滿足各種工程需要及用戶要求
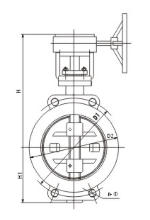
主要連接尺寸
|
公稱壓力 |
公稱通徑 |
尺寸 |
|||||||
|
L |
D |
D1 |
D2 |
b-f |
Z-Φd |
H |
Do |
||
|
1.6 |
50 |
250 |
160 |
125 |
100 |
18-3 |
4-18 |
358 |
240 |
|
65 |
265 |
180 |
145 |
120 |
18-3 |
4-18 |
373 |
240 |
|
|
80 |
280 |
195 |
160 |
135 |
20-3 |
8-18 |
435 |
280 |
|
|
100 |
300 |
215 |
180 |
155 |
20-3 |
8-18 |
500 |
300 |
|
|
125 |
325 |
245 |
210 |
185 |
22-3 |
8-18 |
614 |
320 |
|
|
150 |
350 |
280 |
240 |
210 |
24-3 |
8-23 |
671 |
360 |
|
|
200 |
400 |
335 |
295 |
265 |
26-3 |
12-23 |
818 |
400 |
|
|
250 |
450 |
405 |
335 |
320 |
30-3 |
12-25 |
969 |
450 |
|
|
300 |
500 |
460 |
410 |
375 |
30-4 |
12-25 |
1145 |
560 |
|
|
350 |
550 |
520 |
470 |
435 |
34-4 |
16-25 |
1280 |
640 |
|
|
400 |
600 |
580 |
525 |
485 |
36-4 |
16-30 |
1452 |
640 |
|
|
450 |
650 |
640 |
585 |
545 |
40-4 |
20-30 |
1541 |
720 |
|
|
500 |
700 |
705 |
650 |
608 |
44-4 |
20-34 |
1676 |
720 |
|
|
2.5 |
50 |
250 |
160 |
125 |
100 |
20-3 |
4-18 |
358 |
240 |
|
65 |
265 |
180 |
145 |
120 |
22-3 |
8-18 |
373 |
240 |
|
|
80 |
280 |
195 |
160 |
135 |
22-3 |
8-18 |
435 |
280 |
|
|
100 |
300 |
230 |
190 |
160 |
24-3 |
8-23 |
500 |
300 |
|
|
125 |
325 |
270 |
220 |
188 |
28-3 |
8-25 |
614 |
320 |
|
|
150 |
350 |
300 |
250 |
218 |
30-3 |
8-25 |
674 |
360 |
|
|
200 |
400 |
360 |
310 |
278 |
34-3 |
12-25 |
818 |
400 |
|
|
250 |
450 |
425 |
370 |
332 |
36-3 |
12-30 |
969 |
450 |
|
|
300 |
500 |
485 |
430 |
390 |
40-4 |
16-30 |
1145 |
560 |
|
|
350 |
550 |
550 |
490 |
448 |
44-4 |
16-34 |
1280 |
640 |
|
|
400 |
600 |
610 |
550 |
505 |
48-4 |
16-34 |
1452 |
640 |
|
|
450 |
650 |
660 |
600 |
555 |
50-4 |
20-34 |
1541 |
720 |
|
|
500 |
700 |
730 |
660 |
610 |
52-4 |
20-41 |
1676 |
720 |
|
|
公稱壓力 |
公稱通徑 |
尺寸 |
||||||||
|
L |
D |
D1 |
D2 |
b-f |
F2 |
Z-Φd |
H |
Do |
||
|
4.0 |
50 |
250 |
160 |
125 |
100 |
20-3 |
4 |
4-18 |
371 |
280 |
|
65 |
280 |
180 |
145 |
120 |
22-3 |
4 |
8-18 |
391 |
280 |
|
|
80 |
310 |
195 |
160 |
135 |
22-3 |
4 |
8-18 |
455 |
320 |
|
|
100 |
350 |
230 |
180 |
160 |
24-3 |
4.5 |
8-23 |
551 |
360 |
|
|
125 |
400 |
270 |
220 |
188 |
28-3 |
4.5 |
8-25 |
628 |
400 |
|
|
150 |
450 |
300 |
250 |
218 |
30-3 |
4.5 |
8-25 |
708 |
400 |
|
|
200 |
550 |
375 |
320 |
282 |
38-3 |
4.5 |
12-30 |
885 |
450 |
|
|
250 |
650 |
445 |
385 |
345 |
42-3 |
4.5 |
12-34 |
906 |
560 |
|
|
300 |
750 |
510 |
450 |
408 |
46-4 |
4.5 |
16-34 |
1203 |
640 |
|
|
350 |
850 |
570 |
510 |
465 |
52-4 |
5 |
16-34 |
1341 |
640 |
|
|
400 |
950 |
655 |
585 |
535 |
58-4 |
5 |
16-41 |
1492 |
720 |
|
|
6.4 |
80 |
310 |
210 |
170 |
140 |
30-3 |
4.5 |
8-23 |
570 |
300 |
|
100 |
350 |
250 |
200 |
168 |
32-3 |
4.5 |
8-25 |
700 |
300 |
|
|
125 |
400 |
295 |
240 |
202 |
36-3 |
4.5 |
8-30 |
780 |
350 |
|
|
150 |
450 |
340 |
280 |
240 |
38-3 |
4.5 |
8-34 |
850 |
350 |
|
|
200 |
500 |
405 |
345 |
300 |
44-3 |
4.5 |
12-34 |
1035 |
400 |
|
|
250 |
650 |
470 |
400 |
352 |
48-3 |
4.5 |
12-41 |
1050 |
560 |
|
|
300 |
750 |
530 |
460 |
412 |
54-4 |
4.5 |
16-41 |
1470 |
640 |
|